Y81

Y56

G1

C3

T1

X28-II

X28-I

A63

A75

A31

31

30

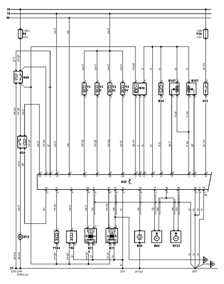
A35

B132

B147

B54

B157

15

50

S343

S13

B30

B69

Y104

F

Y3

M12

X69

X1

K46

K20

K12

B24

B72

A5

H63

H109

B184

Actuateur de position d'arbre à cames

Actuateur de ralenti

Alternateur

Antiparasite autoradio

Bobine d'allumage

Boîte à fusibles/plaque de relais - compartiment moteur1

   Boîte à fusibles/plaque de relais - planche de bord 1

Boîtier électronique climatisation

Boîtier électronique instruments de bord

Boîtier électronique verrouillage centralisé

Borne - de la batterie

Borne + de la batterie

Calculateur de gestion moteur

Capteur de position d'arbre à cames

Capteur de position du papillon

Capteur de position du vilebrequin

Capteur de pression de la direction assistée

Contact (démarrage) - contact mis

Contact (démarrage) - signal du démarrage

Contacteur avertisseur de la clé du contact

Contacteur de position de pédale de frein

Débitmètre d'air massique

Détecteur de cliquetis

Electrovanne de purge canister

Fusible

Injecteur

Pompe à carburant

Prise diagnostic de la direction assistée

Prise diagnostic générale

Relais calculateur gestion du moteur

Relais de pompe à carburant

Relais motoventilateur de refroidissement du moteur

Sonde de température du liquide de refroidissement moteur

Sonde Lambda chauffée (HO2S)

Tableau de bord

Témoin défaut du moteur

Témoin lumineux de l'antidémarrage

Transpondeur de l'antidémarrage

 

 

Mis au point pour: Catalyseur régulé   Année1999-06

 

 

 

 

 

 

 

 

 

Constructeur : Toyota

Modèle : Yaris (99-06) 1,3

 

Code moteur: 2NZ-FE

Puissance: 63 (86) 6000

 

 

 

 

 

 

 

                                                                                       


 

 

 

 

bl = bleu

 

 

 

br = brun

 

 

 

el = blanc cassé

 

 

 

ge = jaune

 

 

 

gn = vert

 

 

 

gr = gris

 

 

 

nf = neutre

 

 

 

og = orange

 

 

 

rs = rose

 

 

 

rt = rouge

 

 

 

sw = noir

 

 

 

vi = violet

 

 

 

ws = blanc

 

 

 

hbl = bleu léger

 

 

 

hgn = vert léger

 

 

 

rbr = marron

 

 

 

x = câble entrelacé

 

 

 

y = haute tension

 

 

 

z = connexion sans câble

 

 

 

 

 

 

 

 

 

N.B. : Sur certains schémas (Citroen, Peugeot & Renault), des fils sont identifiés par un numéro au lieu d'une couleur.Dans ce cas les fils sont numérotés aux deux extrémités.

 

 

 

 

Constructeur : Toyota

Modèle : Yaris (99-06) 1,3

 

Code moteur: 2NZ-FE

Puissance: 63 (86) 6000

 

 

 

 

Mis au point pour: Catalyseur régulé                         Année1999-06