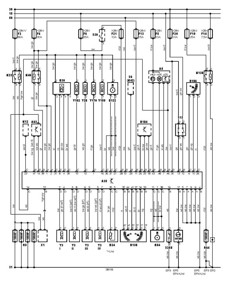
X28-IV

X28-II

X28-I

B184

A75

A63

31

30

R5

A35

B132

B138

B54

B121

B186

R64

S6

50

15

S258

S30

S13

B30

Y159

Y102

Y28

F

Y3

EP

X1

K46

K22

K310

K42

K12

B25

B24

H109

H63

H25

A5

Y170

Boîte à fusibles/plaque de relais, compartiment moteur 2

Boîte à fusibles/plaque de relais, compartiment moteur 1

Boîte à fusibles/plaque de relais, planche de bord

Bobine de lecture de l'antidémarrage

Boîtier électronique des instruments de bord

Boîtier électronique climatisation

Borne - de la batterie

Borne + de la batterie

Bougie de préchauffage

Calculateur de gestion du moteur

Capteur de position d'arbre à cames

Capteur de position de la pédale d'accélérateur

Capteur de position du vilebrequin

Capteur de pression atmosphérique

Capteur de pression de la rampe de distribution

Chauffage du filtre à carburant

Commutateur combiné

Contact (démarrage) - signal du démarrage

Contact (démarrage) - contact mis

Contacteur de position de la pédale d'embrayage

Contacteur dégivrage de la lunette arrière

Contacteur de position de la pédale de frein

Débitmètre d'air massique

Dispositif de réglage de la quantité de carburant

Electrovanne d'admission d'air dans le collecteur

Electrovanne EGR

Fusible

Injecteur

Point de masse

Prise diagnostic

Relais de gestion moteur

Relais de préchauffage

Relais du chauffage du filtre à carburant

Relais feux de jour

Relais motoventilateur de refroidissement moteur

Sonde de température d'air d'admission

Sonde de température du liquide de refroidissement

Témoin antidémarrage

Témoin d'affichage des défauts du moteur

Témoin bougies de préchauffage

Tableau de bord

Vanne de régulation de la pression de la rampe de distribution distribution distribution

 

 

 

 

 

 

 

 

 

 

 

 

 

 

 


 

 

bl = bleu

 

 

br = brun

 

 

el = blanc cassé

 

 

ge = jaune

 

 

 

gn = vert

 

 

 

gr = gris

 

 

 

nf = neutre

 

 

 

og = orange

 

 

 

rs = rose

 

 

 

rt = rouge

 

 

 

sw = noir

 

 

 

vi = violet

 

 

 

ws = blanc

 

 

 

hbl = bleu léger

 

 

 

hgn = vert léger

 

 

 

rbr = marron

 

 

 

x = câble entrelacé

 

 

 

y = haute tension

 

 

 

z = connexion sans câble

 

 

 

 

 

 

 

 

 

 

N.B. : Sur certains schémas (Citroen, Peugeot & Renault), des fils sont identifiés par un numéro au lieu d'une couleur.Dans ce cas les fils sont numérotés aux deux extrémités.

 

 

 

 

Constructeur : Toyota

Modèle : Yaris (99-06) 1,4D D-4D

 

Code moteur: 1ND-TV

Puissance: 55 (74) 4000

 

 

 

 

Mis au point pour:                                                      Année: 2001-06                                                                                                  V8.500-    


 

 

Constructeur : Toyota

Modèle : Yaris (99-06) 1,4D D-4D

 

Code moteur: 1ND-TV

Puissance: 55 (74) 4000

 

 

 

 

Mis au point pour:                                                      Année: 2001-06                                                                                                  V8.500-